A Light Emitting Diode (LED) is a special type of diode that is used as an Optoelectronic device. It conducts when forward biased, just like a p-n junction diode. However, there is a special feature of this device which is its ability to emit energy in the visible range (visible light) of the electromagnetic spectrum.
Now, a major concern is that an LED needs a constant supply, but the supply that we receive is an alternating one. Thus to convert the AC supply to the required input for an LED (DC), we need a driver circuit. Many a time, an LED is driven using batteries or some controlled devices like microcontrollers. But these have their own disadvantages like low battery life, etc.
As told earlier, we need to convert the AC supply to DC. The most convenient and commonly used way to do this is by using the transformer. But for driving loads like LED would be costly and also producing low current is not possible.
LED Driver Circuit Principle
Keeping all the above factors in mind, let us design a simple and cost-effective circuit driving an LED from a household supply (230 volts). The basic principle behind the LED driver is a transformerless power supply. The main component is the rated AC capacitor, that reduces the supply current to the required amount. These capacitors are connected to high voltage AC circuits and thus line to line.
The capacitor used here reduces the current only and then rectification and regulation of voltage are done at later part of the circuit. This high voltage AC will be rectified using Full Wave Bridge Rectifier. The obtained high voltage DC is now rectified through Zener diode at a lower voltage value.
This rectified and regulated voltage-current combination is given at the input of an LED. Let us design a driver circuit for 230 volts supply which comes to our home.
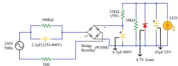
Components Required for LED Driver Circuit
- 390 kΩ resistor
- 10 Ω resistor
- 2.2 µF Polyester Film Capacitor
- Bridge Rectifier
- 22 KΩ
- 4.7 µF / 400V Polarized Capacitor
- 10 kΩ resistor
- 4.7 V Zener diode
- 47 µF / 25V Polarized Capacitor
- 5mm LED
Design of 230V LED Driver Circuit
At first, a 2.2µF rated capacitor is connected in line with the mains. One thing to be noted here is that the voltage rating of the chosen capacitor must be greater than the supply voltage. Since the main supply gives 230V therefore, we have taken the 400V capacitor.

LED Driver Circuit for 230V mains supply
For the discharge of the capacitor charge while supply is off a 390kΩ resistor is connected in parallel. Also, a 10 Ω resistor acts as a fuse that is connected between the supply and the bridge rectifier. After this resistor, we have connected the full-wave bridge rectifier which is capable of handling 1.5 Amperes of current. 4.7 µF Capacitor is then used as a filter after rectification.
To regulate the DC output of the bridge rectifier, we use a Zener diode. A 4.7 volts Zener diode (IN4732A) is taken in use. Also, to limit the current value at Zener diode, we have used a 22 KΩ resistor in series. This controlled DC is given at LED after filtering it through 47 µF capacitors.
Working of 230V LED Driver Circuit
A transformerless, simple LED Driver circuit is made here. The key components of the circuit is the rated capacitor, the Zener diode and the resistor that lessens the current in the Zener diode.
Firstly, the 2.2µF rated capacitor will limit the AC current from the mains supply. To calculate this current we need to use the capacitive reactance of the capacitor.
The formula for capacitive reactance is,
Capacitive Reactance Xc = (1/2πFC)
Now for, C = 2.2µF ; F = 50 Hertz
substituting values of F & C, we get
Xc = 1447.59
So from Ohm’s law, the current that capacitor allows is given by
I = V/R
Hence, the current through the capacitor is
Ic = 230/1447.59 = 158mA
This is the current which enters the bridge rectifier. Now a capacitor is used to filter the output of the rectifier. The selection of the appropriate voltage rating of this capacitor is important here.
The input at the bridge rectifier is 230V RMS. Therefore, the maximum voltage can be calculated as,
Vmax = VRMS x √2
= 230 x 1.414 = 325.26 volts
Thus, we use 400 volts rated filter capacitor. The output after the rectification of DC voltage is around 305 volts. To make it usable for lighting up the LED, the Zener diode is used.
Here we are using a 4.7 volts Zener diode. Also, three main things need to be kept in mind for the Zener diode which is used as a regulator here. A resistor in series, the power rating of the resistor and the power rating of the Zener diode.
First, the resistor will limit the amount of current going in the Zener diode. The formula to be used is,
Rs = VIN – VZ/(IL + IZ)
Here, VIN is the input voltage at Zener diode = 305 volts
VZ is the Zener voltage = 4.7 volts
IL is the load current, i.e., the current passing through LED = 5 mili Amperes
IZ is the Zener diode current = 10 mili Amperes
therefore, putting all the above values in RS, we get
RS = 20020Ω
Let us now calculate the power rating of RS. It is important to calculate because this tells about the amount of power that resistance can dissipate.
The power rating of RS = (VIN – VZ)2/RS
= (305-4.7)2/20020 = 4.5 W
Similarly, we have to calculate the power rating of Zener diode
The power rating of Zener Diode = ((VIN – VZ)*VZ)/RS
= ((305-4.7)*4.7)/20020 = 0.07 W
Based on the above calculations, one can choose the resistors, Zener diode, etc to make an efficient LED driver circuit.
Now, let us discuss on few advantages, disadvantages, and limitations of the circuit discussed so far.
Advantages of LED Driver Circuit
- By using the above circuitry, we can drive LEDs directly from the mains supply.
- The circuit is simple and cost-effective as it is a transformerless driver.
Limitations of 230 Volts LED Driver Circuit
- This circuit can be dangerous as 230 volts AC mains supply is directly used here.
- For single-phase supply generally in domestic applications, this circuit suites best. For a three-phase supply, if by chance any phase comes in contact with the input terminal then it can prove to be dangerous.
- In the case of mains fluctuations, the capacitor can produce spikes.
Applications of 230 Volts LED Driver Circuit
- It can be used for home lighting systems.
- If needed, it can be used as an indicator circuit as well.
Many other applications can be done using this circuit, for instance, connecting it with the doorbell so as to make it comfortable for people having hearing issues.
Ajay Dheeraj
Technical Content Developer


